PV 어레이에 대한 목적으로 지어진 DC 보호.
이러한 유형 2 서지 레고자는 번개 이벤트 또는 전환 작업으로 인한 과도 과전압으로부터 PV 문자열, 버스 바 및 인버터 입력을 보호합니다. 그들은 양수 및 부정적인 PV 버스 바의 장비 결합을 보장하고 모든 번개 보호 수준 (LPL I – IV)에서 시스템 가동 시간을 유지하는 데 도움이됩니다.
U 또는 y 연결 - 디자인이 필요한 것을 확인하십시오.
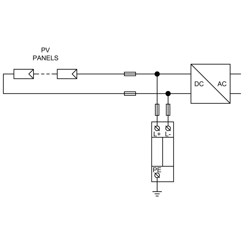
U 연결 : PV DC 회로를위한 기존 보호 토폴로지.
y 연결 : Varistors는 PE에 배열되어 작업 도체가 지구에 내성을 유지하고 PE 도체를 통한 잔류 (누설) 전류가 없어 EMC 거동을 개선하고 성가신 전류 경로를 최소화합니다.
내장 안전-백업 퓨즈가 필요하지 않습니다.
L+, L- 및 PE 사이의 특정 바리스터 섹터에는 각각 내부 열 단절기가 장착되어 있습니다. 바리스터가 수명이 끝나면 (과열) 단인 컨퍼런스가 트립하여 잘못된 결함을 나타내고 DC 전류를 방해합니다. 그들의 특별한 건설 덕분에,이 러셔는 별도의 백업 퓨즈없이 설치할 수 있습니다 (시스템 조정에 따라).
외부 LPS의 유무에 관계없이 유연한 배포.
필요한 분리 거리 "S"가 유지 될 때 외부 번개 보호 시스템 (LPS)이 없거나 LPS가없는 PV 시스템의 DC 측에 설치하십시오. 이는 새로운 빌드 및 개조 모두에서 안전한 통합을 지원합니다.
서비스 및 모니터링 옵션.
M 표시 : 빠른 교체를위한 탈착식 (플러그인) 보호 모듈이있는 버전.
S 표시 : SCADA/PLC/알람 릴레이에 대한 상태 신호를위한 원격 모니터링 접점이있는 버전.
일반적인 응용 프로그램
PV 문자열, 콤비너/리 담배 상자 및 인버터 DC 입력
유틸리티 규모, 상업 및 산업 및 옥상 PV 설치
분리 거리 "S"가 관찰되는 외부 LPS가 있거나없는 사이트
한눈에 주요 기능
PV DC 시스템을위한 제 2 형 서지 Arrester (U 또는 Y 연결)
Y 연결 우위 : 지구 저항성 작업 도체 및 제로 PE 누출
Varistor Paths의 내부 열 단절 자 (L+, L-, PE)
결함에 대한 DC 전류 중단; 백업 퓨즈가 필요하지 않습니다
모든 LPL 수준에 적합; 장비 결합을 지원합니다
M = 탈착식 모듈; S = 원격 모니터링 연락처

